- Current:
- HOME
- >
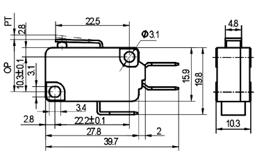
- KW3A Micro switch
- Performance
- Design
- Related
- Model

|
Model:
Your content will be displayed in this selection
Click the link below the corresponding operation:
Get Sample Get Quote Get design drawings Online booking
|
National service hotline:
Fax:021-69105413


